西安旭彤电子科技股份有限公司
电话:029-87607812
传真:029-87607792
邮箱:xaxutong@163.com
二维力敏传感器系列产品
二维力敏传感器是当前高性能及新概念航空航天类装备系统的主要关键元器件,目前在发达国家的同类装备上已经得到大量应用。作为操控系统的人机输入介质,完成对目标追寻的及锁定,具有灵敏度高、刚性好、维间耦合小、温度漂移小、可靠性高、过载保护等特点。在智能制造、航空航天类系统等都将有广泛的应用,是对航空航天类装备技战术指标起关键性作用的电子元器件之一。
公司在二维力敏传感器研制和生产上取得了突破性的进展,掌握了相关核心技术,某些指标达到了国际领先水平,目前,该产品已有多种派生型号,在航空航天及智能制造装备中得到广泛应用。同时,该产品可用于工业生产设备的动态操纵机构,例如:机械臂、特种车型的运动控制或目标定位元件等。
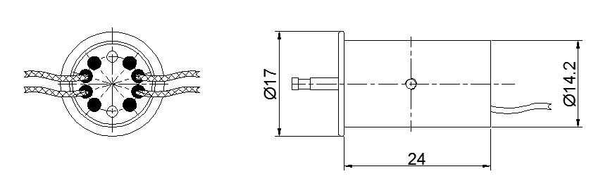
主要技术指标
|
产品型号 |
XCGQ |
|
激励电源 |
±7.5VDC 或15VDC |
|
灵敏度 |
±0.1×(1±20%)VDC/N |
|
量程 |
0~14.7N (X、Y两个输出方向) |
|
耦合 |
±5%F.S |
|
使用温度 |
-55 ℃ ~ + 85 ℃ |
|
绝缘电阻 |
≥100MΩ/50VDC |
|
寿命 |
5万次工作循环 |
|
尺寸 |
Φ14.2×32(总长) |
|
输出位移量 |
0~0.25mm,2~3mm |
|
输出方式 |
电压输出,RS422输出 |
产品满足GJB要求,可根据用户需求定向研制。具体详尽指标,欢迎来电咨询。
